tpsoffis@mail.ru
+7 (905) 927-45-65
Главная
О нас
Оборудование
Каталоги
Портфолио
Контакты
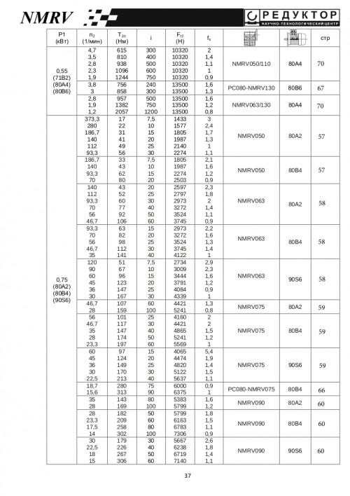
КАТАЛОГ моторы-редукторы NMRV
Ваш браузер устарел рекомендуем обновить его до последней версии
или использовать другой более современный.
Наш сайт использует cookie для улучшения работы
Хорошо